The Prospector News

Doubleview Gold Corp. Announces Positive Preliminary Economic Assessment for the Hat Project; Robust Base-Case Economics with Strategic Scandium Upside

You have opened a direct link to the current edition PDF

Open PDF Close
Uncategorized

Share this news article

Doubleview Gold Corp. Announces Positive Preliminary Economic Assessment for the Hat Project; Robust Base-Case Economics with Strategic Scandium Upside

 

Doubleview Gold Corp (TSX-V: DBG) (OTCQB: DBLVF) (FSE: 1D4) is pleased to announce the results of its Preliminary Economic Assessment of its 100%-owned polymetallic Hat porphyry project, in northwestern British Columbia. With major content of copper, gold, cobalt, silver, and scandium, Hat becomes an important source of critical minerals.

Three processing scenarios were evaluated-Scenario A1 (A1) a Cu-Au-Ag-Co flotation base case using current testwork recoveries[1], Scenario A2 (A2), the same base case using expected recoveries1, and Scenario B (B), a Cu-Au-Ag-Co flowsheet with an added hydrometallurgical circuit and scandium recovery circuit-with results indicating the Project is financially attractive even without the scandium component.

 

Highlights:

  • Robust Project Economics: The PEA demonstrates a high-margin operation with an After-Tax NPV(5%) of C$4.96 billion (A1), C$6.73 billion (A2), or C$6.94 billion (B), and an IRR of 19% (A1), 23% (A2), or 19% (B) at analyst consensus metal prices[2]. Using a spot-price scenario[3], the Project delivers a compelling after-tax NPV(5%) of C$11.05 billion (A1), 13.53 billion (A2), or C$14.52 billion (B) and an IRR of 34% (A1), 39% (A2), or 32% (B).
  • Sensitivity Highlight: Project economics show the greatest leverage to overall metal prices, with NPV (5%) ranging from C$3.2 billion to C$10.2 billion (IRR: 14%-32%) at ±20% on all metals; even under additional +20% CAPEX and +20% OPEX sensitivities, applied on top of a 25% contingency already embedded in the base case, all scenarios deliver IRRs of 16% or better, and Scenario B provides additional scandium oxide upside with NPV(5%) of C$6.2 billion-C$7.7 billion (IRR: 18%-20%) at ±40% metal price.
  • Tier 1 Scale and Longevity: The mine plan supports a multi-decade life of 25 years at a 120,000 tonnes-per-day processing rate, underpinned by a resource base of 609 Mt at 0.43% CuEq[4] in the Measured and Indicated categories and 503 Mt at 0.41% CuEq4 in the Inferred category.
  • High-Output Production Profile B: Envisioned as a conventional large-scale open-pit operation, the Project is expected to produce an average of over 74 kt of copper, 254 koz of gold, 376 koz of silver and 2.7 kt of cobalt annually during the first 10 years, with life-of-mine (LOM) average production of 67.6 kt Cu, 217 koz Au, 348 koz Ag, 2.5 kt Co, and 128 tonnes of scandium oxide per year. (NOTE: projected cobalt to be about 68% of North America’s cobalt production based on 2024 production)
  • Strategic Importance for Critical Minerals: The Project is positioned as a primary North American source of copper, scandium, and cobalt. With approximately 2.42 billion pounds of copper, 80 million pounds of cobalt and 2,415 tonnes of scandium oxide contained[5] in the Measured and Indicated categories, the Project represents an important discovery of critical minerals.
  • Stable, Supportive Jurisdiction: Located in a premier mining district in British Columbia, the Project benefits from a stable regulatory environment. The Company is committed to engaging with local First Nations in a respectful manner and to working toward positive and constructive relationships as the Project advances.
  • Catalyst for Development: The PEA serves as the technical foundation for an immediate transition into a Pre-Feasibility Study, providing a clear roadmap for early works and permitting activities in 2026 and 2027.

 

Farshad Shirvani, President and CEO of Doubleview Gold Corp., commented, “The results of this PEA confirm the scale, strength and long-term potential of the Hat Project. Delivering a post-tax NPV(5%) of up to C$6.94 billion and IRR of up to 23% at consensus prices, and even stronger metrics at spot prices, validates years of disciplined exploration and technical work by our team. Hat is demonstrating Tier 1 characteristics with a 25-year mine life, strong annual production profile and meaningful free cash flow generation. Importantly, the Project stands on its own without reliance on scandium, while still preserving significant upside from critical minerals as markets mature. We are excited to advance Hat to Pre-Feasibility and continue building a major Canadian critical metals project.”

Doubleview acknowledges that the Project is located on the traditional territories of the Tahltan Nation and the Taku River Tlingit First Nation, and recognizes their enduring relationship to and stewardship of the land and waters. Doubleview is committed to respectful, transparent, and ongoing engagement with First Nations and local communities whose territories overlap the Project area and access routes, with a focus on protecting water and the environment and advancing responsible development.

 

PEA OVERVIEW

The PEA contemplates a conventional open-pit mine and processing operation with a 25-year mine life at a 120,000 t/d (42 Mt/a) plant throughput. Two processing pathways were evaluated, A1 and its alternative, A2, and B: the first alternative, A, is a Cu-Au-Ag-Co flotation concentrator with two recovery cases based on current metallurgical testwork, and A2, reflecting expected performance (Figure 1); and B, a full circuit that retains the base flowsheet and adds a downstream hydrometallurgical scandium recovery circuit (Figure 2).

The tailings storage facility is a centreline-raised facility built with compacted cycloned sand from tailings underflow, and engineered drainage for stability, with site-contact waters (including seepage and pit dewatering) recycled to the process plant and final closure involving pond drainage and reclamation. The Project is expected to rely on grid power via an extended transmission line.

Tables 1 to 3 summarize the key results of the PEA, including production, operating costs, capital expenditures, and the principal financial metrics; the sections that follow provide additional detail on the underlying assumptions, project design, and study outcomes.

 

Table 1: PEA Study Summary-Production

Metric Unit Scenario A1 Scenario A2 Scenario B
Mining Summary
Strip ratio t:t 1.60
Production Summary LOM
Average Annual Throughput Mt 42
CuEq Head Grade[6], [7] % 0.42
Cu Head Grade % 0.19
Au Head Grade g/t 0.19
Ag Head Grade g/t 0.51
Co Head Grade g/t 0.78
Sc Head Grade6 g/t 28.35
Cu Recovery % 80 89 85[8]
Au Recovery % 66 75 898
Ag Recovery % 53 53 688
Co Recovery % 30 30 788
Sc Recovery % N/A 728
Overall Mass of Tailings to Process[9] % N/A 12.5
Year of Production Start of Sc2O38 year N/A 4
Average Annual Cu Production kt 63.6 70.8 67.6
Total Cu Production kt 1,590.5 1,769.4 1,689.9
Average Annual Payable Cu kt 61.7 68.7 65.7
Total Payable Cu kt 1,542.8 1,716.3 1,642.2
Average Annual Au Production koz 161.1 183.1 217.3
Total Au Production koz 4,028.2 4,577.5 5,432.0
Average Annual Payable Au koz 153.1 173.9 207.5
Total Payable Au koz 3,826.8 4,348.7 5,188.6
Average Annual Ag Production koz 271.3 271.3 348.0
Total Ag Production koz 6781.6 6,781.6 8,700.9
Average Annual Payable Ag koz 244.1 244.1 318.6
Total Payable Ag koz 6,103.4 6,103.4 7,965.3
Average Annual Co Production kt 1.0 1.0 2.5
Total Co Production kt 23.9 23.9 62.2
Average Annual Payable Co kt 0.8 0.8 2.3
Total Payable Co kt 19.1 19.1 56.3
Average Annual Sc2O3 Production t N/A 128.4
Total Sc2O3 Production t N/A 3,209.5
Total Sc2O3 Payable t N/A 3,049.0

 

Table 2: PEA Study Summary-Operating Cost

Metric Unit Scenario A1 Scenario A2 Scenario B
Operating Cost
Average Mine Operating Costs C$/t-moved 2.32
Average Mine Operating Costs C$/t-milled 6.03
Processing Operating Cost[10] C$/t-milled 7.93 7.93 10.84
Sc2O3 Processing Cost[11] C$/kg Sc2O3 N/A 939.55
General & Administrative C$/t-milled 2.56 2.56 2.56
Total Operating Costs C$/t-milled 16.22 16.22 22.96

 

Table 3: PEA Study Summary-Capital Expenditure and Financial Metrics

Metric Unit Scenario A1 Scenario A2 Scenario B
Capital Expenditure
Initial Capital Costs C$M 3,552 3,601 3,828
Sustaining Capital Costs C$M 2,755 2,755 4,006
Closure and Reclamation Cost C$M 503
Financial Metrics
Exchange Rate CAD/USD 1.37
Long Term Copper Price US$/lb 4.88
Long Term Gold Price US$/oz 3,272.60
Long Term Silver Price US$/oz 50.22
Long Term Cobalt Price US$/lb 19.57
Long Term Scandium Oxide Price US$/kg N/A 1,500
Average Annual EBITDA C$M 886 1,071 1,242
Total EBITDA C$M 22,162 26,770 31,041
Average Annual Free Cash Flow (Pre-tax) C$M 756 940 1,061
Free Cash Flow (Pre-tax)[12] C$M 18,904 23,511 26,532
Total Provincial Tax (inc. BC Mineral Tax) C$M (4,029) (5,090) (5,772)
Total Federal Tax C$M (1,274) (1,859) (2,170)
Total Taxes C$M (5,303) (6,949) (7,942)
Average Annual Free Cash Flow (Post-tax) C$M 544 662 744
Free Cash Flow (Post-tax)12 C$M 13,601 16,562 18,591
Total Free Cash Flow (Pre-tax)[13] C$M 15,352 19,910 22,704
Total Free Cash Flow (Post-tax)12 C$M 10,050 12,961 14,763
NPV 5% (Pre-tax) C$M 7,883 10,576 11,043
NPV 5% (Pre-tax) US$M 5,754 7,720 8,061
IRR (Pre-tax) % 24 29 23
Payback (Pre-tax) years Year 5 Year 4 Year 6
NPV 5% (Post-tax) C$M 4,963 6,727 6,937
NPV 5% (Post-tax) US$M 3,623 4,911 5,064
IRR (Post-tax) % 19 23 19
Payback (Post-tax) Years Year 6 Year 5 Year 7

 

Table 4 shows the Sensitivity analysis using after-tax NPV(5%) and after-tax IRR.

Table 4: Sensitivity Analysis

Variable Case
(%)
Metal Price Scenario A1 Scenario A2 Scenario B
NPV (5%)
C$M
IRR
(%)
NPV (5%)
C$M
IRR
(%)
NPV (5%)
C$M
IRR
(%)
Base Case Consensus forecast 4,963 19 6,727 23 6,937 19
Copper Price -20 US$3.90/lb Cu 3,218 15 4,807 19 5,094 15
Copper Price +20 US$5.86/lb Cu 6,688 23 8,632 28 8,764 22
Gold Price -20 US$2,618.08/oz 3,625 16 5,223 19 5,201 16
Gold Price +20 US$3,927.12/oz 6,289 22 8,222 27 8,661 22
Metal Prices -20 All metal prices 1,708 10 3,165 14 2,650 11
Metal Prices +20 All metal prices 8,118 27 10,233 32 11,110 26
Initial CAPEX +20 Variable per Scenario 4,448 16 6,222 19 6,394 16
OPEX +20 Variable per Scenario 3,660 16 5,438 20 5,185 16
Scandium Oxide Price -40 US$900/kg Sc2O3 6,159 18
Scandium Oxide Price +40 US$2,100/kg Sc2O3 7,714 20

 

MINERAL RESOURCE ESTIMATE

Doubleview Gold Corp announced an update of the Mineral Resource estimate (MRE). This estimate followed the Micon International Ltd. (Micon) Mineral Resource estimate with an effective date of July 17, 2024. This MRE incorporates significant new data from the 2024 and 2025 exploration campaigns, with an effective date of February 4, 2026, and superseded the 2024 Micon estimate.

Table 5: Hat MRE at a 0.2% CuEq Cut-Off Effective February 4, 2026

Mineral
Resource
Classification
Tonnage
(Mt)
Average Grade Metal Content
CuEq
(%)
Cu
(%)
Au
(g/t)
Co
(g/t)
Ag
(g/t)
CuEq
(Blb)
Cu
(Blb)
Au
(Moz)
Co
(Mlb)
Ag
(Moz)
Measured 272 0.44 0.22 0.18 76.26 0.37 2.61 1.11 1.41 35.6 2.17
Indicated 337 0.43 0.21 0.19 76.81 0.39 3.21 1.31 1.81 44.5 2.88
Total M+I 609 0.43 0.21 0.18 76.57 0.38 5.82 2.42 3.22 80.1 5.05
Inferred 503 0.41 0.18 0.19 76.62 0.38 4.57 1.72 2.77 66.2 4.19

 

Table 6: Hat MRE at a 0.2% CuEq Cut-Off as of February 4, 2026, Scandium Oxide Resources

Mineral Resource
Classification
Tonnage
(Mt)
Sc Tonnage1
(Mt)
Average Grade
Sc (g/t)
Metal Content
Sc2O3 2 (t)
Measured 272 34 28.79 1,081
Indicated 337 42 28.76 1,334
Total M+I 609 76 28.77 2,415
Inferred 503 63 28.69 1,996

Notes:

1 Scandium tonnages represent 12.5% of the mineralized material by category, reflecting the proportion of tailings expected to be processed through a dedicated scandium leach circuit under current metallurgical design constraints.
2 Scandium oxide metal content have been calculated using the metallurgical recovery of 72% and conversion factor from Sc to Sc2O3 of 1.534.

  • Mineit’s Qualified Person, Tomasz Wawruch, FAusIMM, completed the MRE, and has reviewed and approved the technical disclosure related to the MRE contained in this news release. Mr. Wawruch is a senior geology and mineral resource consultant independent of Doubleview. Mr. Gilles Arseneau, PhD., P.Geo., of ARSENEAU Consulting Services Inc., provided an independent review of this MRE.
  • Mineral Resources that are not Mineral Reserves do not have demonstrated economic viability.
  • The estimate of Mineral Resources may be materially affected by environmental, permitting, legal, title, taxation, socio-political, marketing, or other relevant issues.
  • Inferred Mineral Resources are considered too speculative geologically to have economic considerations applied to them that would enable them to be categorized as Mineral Reserves.
  • The Mineral Resource Estimate was prepared in accordance with the Canadian Institute of Mining, Metallurgy and Petroleum (CIM) Definition Standards for Mineral Resources and Mineral Reserves (2014), and CIM MRMR Best Practice Guidelines (2019).
  • The effective date of the MRE is February 4, 2026.
  • Metal contents have been calculated using the following metallurgical recovery factors: Cu = 85%, Au = 89%, Co = 78%, and Ag = 68%.
  • Economic assumptions used include US4.80/lb Cu, US20.00/lb Co, US3,200/oz Au, US46/oz Ag, and a 2% NSR royalty.
  • Mineral Resources are reported within optimized open pit constraints and 0.2% CuEq cut-off grade, based on a C7.93/t milled processing cost and C2.90/t milled general and administrative cost, with a mining cost of C3.01/t plus incremental mining cost increasing by C0.015/t for every bench below the reference level of 1,125 mRL.
  • CuEq calculations do not include scandium. The formula used to calculate CuEq is: CuEq = [(((Ag × 46.0 × 0.68)/31.1035) + ((Au × 3200 × 0.89)/31.1035) + 0.0001 × (Co × 20.0 × 0.78 × 22.0462) + 0.0001 × (Cu × 4.8 × 22.0462 × 0.85))/(4.8 × 22.0462 × 0.85)], where all input variables are expressed in (ppm) and CuEq is expressed in percent (%).
  • Rounding may result in minor variations between individual values and totals; such differences are not considered material to the MRE.
  • Mineral Resource classification reflects the level of geological confidence and satisfies the uncertainty criteria appropriate for exploration and resource development. Additional drilling will be required to reduce uncertainty to the level expected for production planning.
  • The MRE reflects the geological interpretation, drill-hole spacing, and estimation parameters available at the time of modelling. Any additional drilling is expected to influence the current outcome by improving confidence in the estimates and refining the geometry of the mineralized domains.
  • The Mineral Resource results are presented in situ within the optimized pit. Mineralized material outside the pit has not been considered as a part of the current MRE tabulation. Calculations used metric units (metres, tonnes, g/t).
  • A total of 97 diamond drill holes, comprising 49,548 m of core, were incorporated into the Mineral Resource Estimate. All drilling data used in the MRE were subject to standard QA/QC validation prior to inclusion.

 

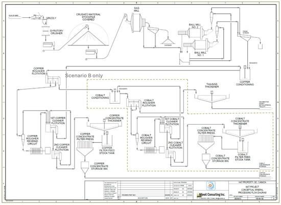
PROCESSING SCENARIOS

The PEA evaluates two processing scenarios: (A) a conventional Cu-Au-Ag-Co flotation concentrator at 120,000 t/d (42 Mt/a) with two recovery cases-A1 based on metallurgical testwork completed by Sepro Laboratories (Langley, BC) and A2 reflecting target/expected performance-and (B) a full circuit that retains the base flowsheet and adds a downstream hydrometallurgical scandium recovery circuit.

The concentrator consists of crushing, grinding, flotation, concentrate handling, and tailings management, producing both a saleable approximately 25% Cu concentrate with co-product gold and by-product silver-cobalt credits and a pyrite concentrate enriched in cobalt; in the full-circuit case, the pyrite concentrate is roasted to generate sulphuric acid and a calcine that is then processed to recover cobalt, gold, silver, and copper; after stripping it will be precipitated as a sulphide to be admixed to the copper concentrate to improve grade, with the acid used to leach flotation tailings for scandium recovery, noting that the scandium circuit is a newer chemical process compared with the otherwise industry-standard flowsheet.

Under A1 or A2 (Figure 1), the flowsheet produces a single saleable product-a copper concentrate with payable gold credits; the pyrite concentrate is not treated or marketed in this case and is only processed in B where the hydrometallurgical circuit enables recovery of cobalt (and additional Au-Ag) and supports the scandium circuit (Figure 2), which is planned to be constructed in a phased approach commencing in Year 3 of operations.

Figure 1: Grinding and Flotation Flowsheet; Scenarios A1/A2 Report Copper Concentrate Only, while the Cobalt-Pyrite Flotation Stream Shown Is Included Only in Scenario B

To view an enhanced version of this graphic, please visit:
https://images.newsfilecorp.com/files/8003/285945_7d43165cf4f1bb4d_001full.jpg

Figure 2: Scenario B Hydrometallurgical Plant Block Flow Diagram, Showing Downstream Treatment of the Cobalt-Pyrite Stream and Flotation of Tailings to Recover Cobalt (and Au-Ag) and Scandium, Including Sulphuric Acid Generation to Support the Scandium Circuit

To view an enhanced version of this graphic, please visit:
https://images.newsfilecorp.com/files/8003/285945_7d8c82e63416eab6_003full.jpg

 

Table 7 summarizes the head grades, concentrate grades, and overall metallurgical recoveries from early testwork for the full circuit; A1 assumes only the reported recoveries to the Cu-Au concentrate, while the cobalt-pyrite concentrate and downstream recoveries are considered only in B.

Table 7: Attainable Recovery from Testwork

Product Grade Recovery
Copper
(%)
Cobalt
(ppm)
Gold
(g/t)
Silver
(g/t)
Copper
(%)
Cobalt
(%)
Gold
(%)
Silver
(%)
Head Grade 0.21 132 0.34 2.9
Copper-Gold Concentrate 25 1160 12 68 80 30 66 53
Cobalt-Pyrite Concentrate 0.30 1605 2 8 5 48 23 15
Combined Concentrates 85 78 89 68
Tailings 0.05 40 0.05 1.0 15 22 11 32

 

Early metallurgical testwork comprised metallurgical characterization studies under standard laboratory conditions to demonstrate metals recoverability for inclusion in the estimate of CuEq. No attempt was made to optimize flotation conditions, and more advanced flotation testwork was not undertaken. Consequently, the reported metallurgical recoveries are considered conservative, and it is reasonable to expect improvement with further testwork.

A2, assumes improved copper and gold recoveries of 89% and 75%, respectively, reflecting expected performance from comparable Cu-Au porphyry flotation circuits following further optimization and testwork.

 

Table 8 summarizes the recoveries assumption on each scenario.

Table 8: Net Recovery for Each Scenario

Net Recovery Scenario A1 Scenario A2 Scenario B
Cu Recovery 80% 89% 85%
Au Recovery 66% 75% 89%
Ag Recovery 53% 53% 68%
Co Recovery 30% 30% 78%

 

CAPITAL COST SUMMARY

Table 9 presents the estimated capital cost breakdown for the three evaluated scenarios, separating initial CAPEX from sustaining CAPEX and reporting costs in C$M by major cost area (processing plant, mining, pre-stripping, infrastructure, tailings and water management, Indirects/EPCM, and contingency).

Total initial CAPEX is estimated at C$3,552 million (A1), C$3,601 million (A2), and C$3,828 million (B), reflecting the higher processing plant scope and associated indirects/contingency in Scenario B.

Total sustaining CAPEX is estimated at C$2,755 million (A1/A2) and C$4,006 million (B), with the increase in B driven primarily by the inclusion of the hydrometallurgical plant and scandium recovery circuit within sustaining capital, while mining, infrastructure, and tailings sustaining components remain broadly consistent across scenarios

 

Table 9: Capital Cost Summary

Capital Cost Summary Unit Scenario A1 Scenario A2 Scenario B
Initial Capex
Processing Plant (Excl. Hydrometallurgical Plant) C$M 1,609 1,645 1,810
Mining CAPEX C$M 394 394 394
Mining Pre-Stripping C$M 97 97 97
Infrastructure (Power/Water/Roads/Camp)[14] C$M 326 326 326
Tailings And Water Management C$M 157 157 157
Indirects + EPCM C$M 258 262 278
Contingency (25%) C$M 710 720 766
Total initial CAPEX C$M 3,552 3,601 3,828
Sustaining CAPEX
Processing Plant (Inc. Hydrometallurgical Plant) C$M 285 285 1,194
Mining CAPEX C$M 811 811 811
Infrastructure (Power/Water/Roads/Camp) C$M 63 63 63
Tailings and Water Management C$M 1,065 1,065 1,065
Indirects + EPCM C$M 142 142 233
Contingency (25%) C$M 390 390 640
Total Sustaining CAPEX C$M 2,755 2,755 4,006
Closure and Reclamation C$M 503 503 503

 

OPERATING COST SUMMARY

Table 10 summarizes the key operating cost and selling terms used in the PEA, reporting unit costs in C$/t moved, C$/t milled, and (where applicable) C$/kg of scandium oxide, together with concentrate transport and selling costs, TC/RC, and payability assumptions.

Average site operating costs are estimated at C$16.22/t milled for Scenario A (concentrate-only) and C$22.96/t milled for B, with the increase in B driven by the addition of hydrometallurgical processing and acid generation (C$3.09/t milled) and scandium oxide processing costs (C$939.55/kg Sc₂O₃).

On a payable metal basis, the study reports C1 cash costs of C$2.4/lb CuEq (A1), C$2.39/lb CuEq (A2), and C$2.89/lb CuEq (B) and AISC of C$2.79/lb CuEq (A1), C$2.78/lb CuEq (A2), and C$3.39/lb CuEq (B), reflecting the combined effects of recoveries, co-product/by-product credits, and the additional operating requirements of the full circuit.

Table 10: Operating Cost Summary[15]

Operating Cost Summary Units Value
Average Mining Cost C$/t-moved 2.32
Processing Cost – Up to Concentrate production (Scenario A) C$/t-milled 7.93
Hydrometallurgical + Acid Generation (Scenario B) C$/t-milled 3.08
Scandium Oxide processing (Scenario B) C$/Kg Sc2O3 939.55
G&A C$/t-milled 2.56
Total Operating Cost C$/t-milled 22.96
Cu-Au concentrate product
Transport and selling C$/DMT 95.90
TC Cu-Au Concentrate C$/DMT 77.00
Refining Cost- Cu C$/lb 0.11
Refining Cost- Au C$/oz 6.85
Refining Cost- Ag C$/oz 0.48
Refining Cost- Co C$/lb 0.16
Payable – Cu % 97
Payable – Au % 95
Payable – Ag % 90
Payable – Co % 80
Metal Production on-site (Scenario B)
Payable – Au % 97
Payable – Ag % 97
Payable – Co % 97
C1 / cash cost (Scenario A1/A2/B) US$/lb CuEq payable 1.75 / 1.74 / 2.11
AISC (Scenario A1/A2/B) US$/lb CuEq payable 2.04 / 2.03 / 2.47

 

ECONOMIC RESULTS

Table 11 summarizes the key economic assumptions and resulting financial metrics for Scenarios A1, A2, B, including the long-term price deck, cash flow generation, taxation, and discounted valuation at a 5% discount rate. Using an exchange rate of 1.37 CAD: 1.00 USD and long-term prices of US$4.88/lb Cu, US$3,272.60/oz Au, US$50.22/oz Ag, and US$19.57/lb Co (and US$1,500/kg Sc₂O₃ for B), the Project generates average annual EBITDA of C$886 million (A1), C$1,071 million (A2), and C$1,242 million (B). On a post-tax basis, NPV(5%) is estimated at C$4,963 million (A1), C$6,727 million (A2), and C$6,937 million (B) with corresponding post-tax IRRs of 19%, 23%, and 19%, and post-tax payback in Year 6 (A1), Year 5 (A2), and Year 7 (B). Total post-tax free cash flow is estimated at C$10,050 million (A1), C$12,961 million (A2), and C$14,763 million (B), reflecting the higher cash generation under the improved recovery case (A2) and the additional revenue streams in Scenario B, partially offset by the added capital and operating requirements of the hydrometallurgical and scandium circuits.

 

Table 11: Financial Metrics Consensus Metal Prices

Metric Unit Scenario A1 Scenario A2 Scenario B
Financial Metrics
Exchange Rate CAD/USD 1.37
Long Term Copper Price US$/lb 4.88
Long Term Gold Price US$/oz 3,272.60
Long Term Silver Price US$/oz 50.22
Long Term Cobalt Price US$/lb 19.57
Long Term Scandium Oxide Price US$/kg N/A 1,500
Average Annual EBITDA C$M 886 1,071 1,242
Total EBITDA C$M 22,162 26,770 31,041
Average Annual Free Cash Flow (Pre-tax) C$M 756 940 1,061
Free Cash Flow (Pre-tax)[16] C$M 18,904 23,511 26,532
Total Provincial Tax (Including BC Mineral Tax) C$M (4,029) (5,090) (5,772)
Total Federal Tax C$M (1,274) (1,859) (2,170)
Total Taxes C$M (5,303) (6,949) (7,942)
Average Annual Free Cash Flow (Post-tax) C$M 544 662 744
Free Cash Flow (Post-tax)15 C$M 13,601 16,562 18,591
Total Free Cash Flow (Pre-tax)[17] C$M 15,352 19,910 22,704
Total Free Cash Flow (Post-tax)17 C$M 10,050 12,961 14,763
NPV 5% (Pre-Tax) C$M 7,883 10,576 11,043
NPV 5% (Pre-Tax) US$M 5,754 7,720 8,061
IRR (Pre-Tax) % 24 29 23
Payback (Pre-Tax) years Year 5 Year 4 Year 6
NPV 5% (Post-Tax) C$M 4,963 6,727 6,937
NPV 5% (Post-Tax) US$M 3,623 4,911 5,064
IRR (Post-Tax) % 19 23 19
Payback (Post-Tax) years Year 6 Year 5 Year 7

 

Table 12 summarizes the key economic assumptions and resulting financial metrics for A1, A2, B, using spot metal prices.

Table 12: Financial Metrics, Spot Metal Prices

Metric Unit Scenario A1 Scenario A2 Scenario B
Financial Metrics
Exchange Rate CAD/USD 1.37
Long Term Copper Price US$/lb 6.00
Long Term Gold Price US$/oz 5,200.00
Long Term Silver Price US$/oz 90.00
Long Term Cobalt Price US$/lb 25.54
Long Term Scandium Oxide Price US$/kg N/A 1,500
Average Annual EBITDA C$M 1,514 1,775 2,053
Total EBITDA C$M 37,843 44,376 51,331
Average Annual Free Cash Flow (Pre-Tax) C$M 1,383 1,645 1,873
Free Cash Flow (Pre-Tax)16 C$M 34,585 41,118 46,822
Total Provincial Tax (Includes BC Mineral Tax) C$M (7,657) (9,163) (10,484)
Total Federal Tax C$M (3,328) (4,166) (4,825)
Total Taxes C$M (10,985) (13,329) (15,309)
Average Annual Free Cash Flow (Post-Tax) C$M 944 1,112 1,261
Free Cash Flow (Post-Tax)16 C$M 23,600 27,789 31,513
Total Free Cash Flow (Pre-Tax)17 C$M 31,033 37,517 42,994
Total Free Cash Flow (Post-Tax)17 C$M 20,048 24,188 27,685
NPV 5% (Pre-Tax) C$M 17,230 21,073 22,734
NPV 5% (Pre-Tax) US$M 12,577 15,382 16,594
IRR (Pre-Tax) % 43 50 40
Payback (Pre-Tax) years Year 3 Year 3 Year 3
NPV 5% (Post-Tax) C$M 11,047 13,526 14,515
NPV 5% (Post-Tax) US$M 8,064 9,873 10,595
IRR (Post-Tax) % 34 39 32
Payback (Post-Tax) years Year 3 Year 3 Year 4

 

SENSITIVITY ANALYSIS

Sensitivity cases were evaluated for the key value drivers using after-tax NPV (5%) and after-tax IRR, including ±20% copper and gold prices, +20% initial capital, +20% operating costs and, for B, a ±40% scandium price sensitivity.

Table 13: Sensitivity Summary (After-Tax NPV(5%) and IRR)

Variable Case
(%)
Metal Price Scenario A1 Scenario A2 Scenario B
NPV (5%)
(C$M)
IRR
(%)
NPV (5%)
(C$M)
IRR
(%)
NPV (5%)
(C$M)
IRR
(%)
Base Case Consensus forecast 4,963 19 6,727 23 6,937 19
Copper Price -20 US$3.90/lb Cu 3,218 15 4,807 19 5,094 15
Copper Price +20 US$5.86/lb Cu 6,688 23 8,632 28 8,764 22
Gold Price -20 US$2,618.08/oz 3,625 16 5,223 19 5,201 16
Gold Price +20 US$3,927.12/oz 6,289 22 8,222 27 8,661 22
Metal Prices -20 All metal prices 1,708 10 3,165 14 2,650 11
Metal Prices +20 All metal prices 8,118 27 10,233 32 11,110 26
Initial CAPEX +20 Variable per Scenario 4,448 16 6,222 19 6,394 16
OPEX +20 Variable per Scenario 3,660 16 5,438 20 5,185 16
Scandium Oxide Price -40 US$900/kg Sc2O3 6,159 18
Scandium Oxide Price +40 US$2,100/kg Sc2O3 7,714 20

 

Overall, the sensitivity analysis demonstrates that the Project’s after-tax economics remain positive across the tested ranges, with the greatest variability in after-tax NPV(5%) and IRR driven by simultaneous changes in the overall metal price deck. Changes to copper and gold prices individually have a meaningful but smaller effect, while +20% initial CAPEX and +20% OPEX reduce value but do not eliminate Project attractiveness in any of the evaluated scenarios. Scenario B shows additional exposure to scandium oxide price, with after-tax NPV(5%) varying within a narrower range relative to the broader multi-metal price cases, indicating that scandium provides incremental upside while the base-case Cu-Au Project remains financially robust on its own.

 

PERMITTING, RISKS, AND NEXT STEPS

Permitting and Environmental

Permitting Status

The permitting process will be supported by the continuation of environmental baseline studies, progression of engineering designs, and the initiation of socio-economic and cultural baseline studies.

Due to the anticipated rate of resource extraction, it is expected that the Hat Project will be subject to both federal and provincial impact assessment pathways, so submission to both the Impact Assessment Agency of Canada (IAAC) and British Columbia Environmental Assessment Office (B.C. EAO) for their review is currently anticipated. Agency determination will decide the appropriate level of agency collaboration under the existing cooperation agreement for the Hat Project to acquire a provincial Environmental Assessment Certificate (EAC) and/or federal Decision Statement.

The company will also submit a Joint Mines Act and Environmental Management Act Application through the B.C. Major Mines Office. Additional federal authorizations, including Fisheries Act approvals and compliance with Metal and Diamond Mines Effluent Regulations (MDMER), and applicable provincial permits will be obtained concurrently with other assessment and permitting steps. This will not only support protection of the immediate environment through the life of the Project but also respect the rights of First Nations and promote social and economic wellbeing for local communities.

Tailings and Water Management

The Tailings Storage Facility (TSF) includes a perimeter dyke primarily constructed from compacted cycloned sand. This material will be sourced from the coarse underflow of tailings processed through an on-site cyclone plant. Using the centreline raise method, the dam is designed to be free-draining, lowering the phreatic surface to facilitate geotechnical stability. During operations, seepage from the TSF will be directed to the process plant as reclaim water. Upon closure, the supernatant pond will be drained, and the tailings and dam surfaces will be reclaimed with a granular trafficability layer, followed by a growth medium and native revegetation.

The water management strategy prioritizes the reuse of site-impacted water, directing TSF water, contact water from the waste rock storage facilities, and open-pit dewatering to the process plant for use as make-up water.

Key Risks and Opportunities

Project-wide

  • Tailings Storage Facility:
    • The location and geometry of the TSF are subject to refinement following geotechnical investigations of the potential site areas. Similarly, the anticipated availability of cycloned sand and the storage requirements for the facility may be adjusted once laboratory testing of the tailings is conducted.
    • The integration of this future site-specific data presents a significant opportunity to optimize the TSF design.
  • Mineral Processing:
    • Limited metallurgical and comminution data introduce uncertainty in equipment sizing and operating cost inputs; however, early results indicate the ore should be amenable to conventional Cu-Au flotation, with potential upside from improved recoveries and reduced reagent consumption through optimization.
    • The scandium circuit is less mature and is sensitive to acid economics and hydrometallurgical performance, but offers meaningful value upside if recoveries, product quality, and operating stability are confirmed at larger scale.
  • Mine Design:
    • Pit slope design criteria and mine scheduling are subject to elevated uncertainty due to the limited geotechnical database, including incomplete definition of structural controls, rock mass variability, and groundwater conditions. This creates downside risk to slope angles, strip ratio, and operating conditions if adverse structures or hydrogeology are encountered; however, it also provides a clear opportunity to materially improve design confidence and potentially optimize slope geometry, mine sequencing, and dewatering requirements through focused data acquisition and updated analyses.
  • Capital Cost estimates:
    • As a PEA-level estimate, capital costs remain subject to the inherent uncertainty of a preliminary design basis and limited engineering definition; however, significant effort was undertaken to develop the estimate using a defined scope, preliminary equipment sizing, and factored/benchmark-based costing with appropriate indirects and contingency. This work provides a credible foundation for decision-making at this stage while also highlighting clear opportunities to optimize capital intensity through further engineering definition, value engineering, and targeted trade-off studies (e.g., comminution configuration, tailings strategy, infrastructure/power, and construction execution approach).
  • Scandium specific:
    • Scandium provides strategic upside given its small, concentrated global supply base and the growing premium placed on secure, qualified supply, but it carries higher execution and commercial risk due to limited scale-up testwork (variability, impurity control, reagent intensity), added residue-management and permitting complexity, and uncertainty around product specifications, pricing, and customer qualification.

Next Steps

  • Resource:
    • The Company is advancing the Project toward Pre-Feasibility by upgrading confidence in the current Mineral Resource estimate and improving definition of mineralization within the proposed mine plan area. The program will prioritize infill drilling to support conversion of Inferred Resources to Indicated (and, where appropriate, Measured), together with step-out drilling to test extensions of known mineralization and provide improved geological continuity for next-stage mine design, scheduling, and economic evaluation.
  • Waste facilities:
    • Field investigations will be conducted at potential TSF and waste rock storage sites to characterize subsurface conditions and identify suitable borrow materials for construction. These efforts will be supported by site-specific geotechnical and geochemical characterization of the tailings and waste rock. These data sets will inform a TSF design update to a Pre-Feasibility Study (PFS) level of engineering, encompassing an optimized siting and technology trade-off study.
  • Metallurgy:
    • Complete a comprehensive metallurgical testwork program on representative samples including comminution testwork (Bond Work Index, abrasion index, and related grindability tests) and metallurgical variability + locked-cycle flotation testing to define an optimal process flowsheet, mass balance, and optimized reagent scheme, and to produce samples for concentrate dewatering and preliminary smelter marketing.
    • Progress the scandium work through targeted hydrometallurgical optimization including pulp density, free acidity/acid consumption, SX staging and extractant concentration, followed by an integrated pilot trial on bulk samples to validate scandium recovery, product quality, and circuit operability.
  • Mine Design:
    • A phased geotechnical program is recommended that includes re-analysis of existing boreholes (re-logging and detailed structural mapping, including oriented-core interpretation where available), establishment of geotechnical domains, targeted drilling and field mapping to confirm discontinuity sets and persistence, and hydrogeological data collection to constrain pore pressures and inflows. These data will support updated kinematic assessments and slope design analyses, refinement of inter-ramp and overall slope angles, and improved inputs to mine planning, risk management measures, and capital/operating cost estimates.
  • Capital Costs Estimation:
    • As the Project advances to PFS, the estimate will be progressively refined by advancing engineering to a higher level of definition, updating quantities and vendor inputs for major equipment and packages, tightening indirects and construction productivity assumptions, and executing focused optimization and constructability reviews to reduce contingency and improve overall cost confidence.

 

About Doubleview Gold Corp.

Doubleview Gold Corp., a mineral resource exploration and development company based in Vancouver, British Columbia, Canada, is publicly traded on the TSX Venture Exchange [TSX-V: DBG], the OTCQB [DBLVF], the Berlin Stock Exchange [GER: A1W038], and the Frankfurt Stock Exchange [1D4]. Doubleview identifies, acquires, and finances precious and basemetal exploration projects in North America, particularly in British Columbia. The Company increases shareholder value through the acquisition and exploration of quality gold, copper, cobalt, scandium, and silver properties-collectively critical minerals-and through the application of advanced, state-of-the-art exploration methods. Doubleview’s portfolio of strategic properties provides diversification and mitigates investment risk.

 

About Mineit Consulting Inc.

Mineit Consulting Inc. (Mineit) is an independent mining engineering consulting company providing specialized expertise in project management, geological modelling, Mineral Resource estimation, mining engineering, metallurgical, and process engineering. Mineit lead and prepared the Hat Project MRE and PEA, with assistance from other engineering firms, for the Hat Project in accordance with the Canadian Institute of Mining, Metallurgy and Petroleum (CIM) Definition Standards on Mineral Resources and Reserves.

 

For further information please contact:

Doubleview Gold Corp
Vancouver, BC

Farshad Shirvani
President & CEO

 

Institutional Line: (604) 607-5470
T: (604) 678-9587
E: corporate@doubleview.ca

Posted March 2, 2026

Share this news article

MORE or "UNCATEGORIZED"


Vior Gold Corporation Intersects 12.8 g/t Au Over 2.0 Meters and 5.45 g/t Au Over 3.0 Meters

VIOR GOLD CORPORATION INC. (TSX-V: VIO) (OTCQB: VIORF) (FRA: VL5)... READ MORE

May 7, 2026

One Bullion Reports Gravity-Finish Assay Results at Vumba Project, Including 30.8 g/t Au, and Receives EIA Approval for Maitengwe Project

Gravity-Finish Re-Assay Confirms High-Grade Gold Mineralization a... READ MORE

May 7, 2026

American Pacific Reports Underground Assays from Breccia Pipe and Decline Sampling at Madison Project

American Pacific Mining Corp. (CSE: USGD) (OTCQX: USGDF) (... READ MORE

May 7, 2026

PAN GLOBAL REPORTS SURFACE HIGH-GRADE GOLD WITH 20.2 g/t OVER 5.0 METERS AT CÁRMENES PROJECT, SPAIN

Saw-cut sampling returned 20.2 g/t gold over 5.0 meters at surfac... READ MORE

May 7, 2026

McEwen Generates Strong Q1 Results & Advances Multi-Asset Growth Strategy; Net Income $33.4M ($0.56 per Share) vs. Net Loss $6.3M ($0.12 per Share) in Q1 2025; Internally Funding Key Projects to Double Production by 2030

McEwen Inc. (NYSE:MUX) (TSX: MUX) announced its first quarter fin... READ MORE

May 7, 2026

Copyright 2026 The Prospector News